1 / 0















+ 35
Technical Overview
Installation type
Built-in
Width
11 cm
Cooktop to hood control
No
Operation mode
Air extraction, Air recirculation
Air output extraction (max)
490 m³/h
Specifications
Highly efficient ventilation system at the cooktop
Flexible power distribution, precise extraction of cooking vapours only at the open ventilation elements
Can be combined perfectly with other Vario appliances of the 400 series
Precision crafting of 3 mm stainless steel
For surface mounting with a visible edge or for flush mounting
Motorless, can be combined with Gaggenau BLDC remote fan units
Power levels depend on the remote fan unit.
Manual opening of the ventilation element.
Closing element made of stainless steel, dishwasher-safe.
Sensor-controlled operation of the extractor fan if at least one ventilation element VL 414 is open.
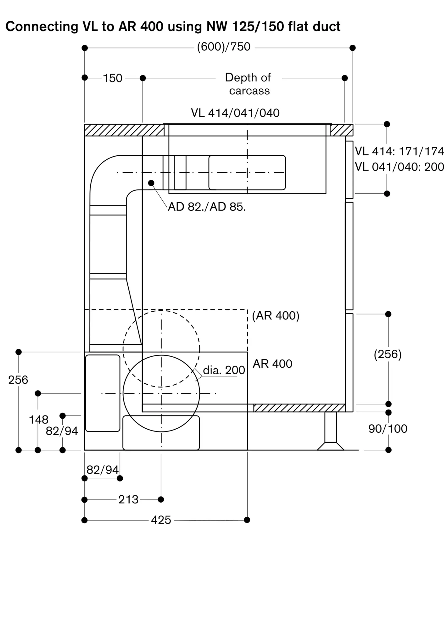
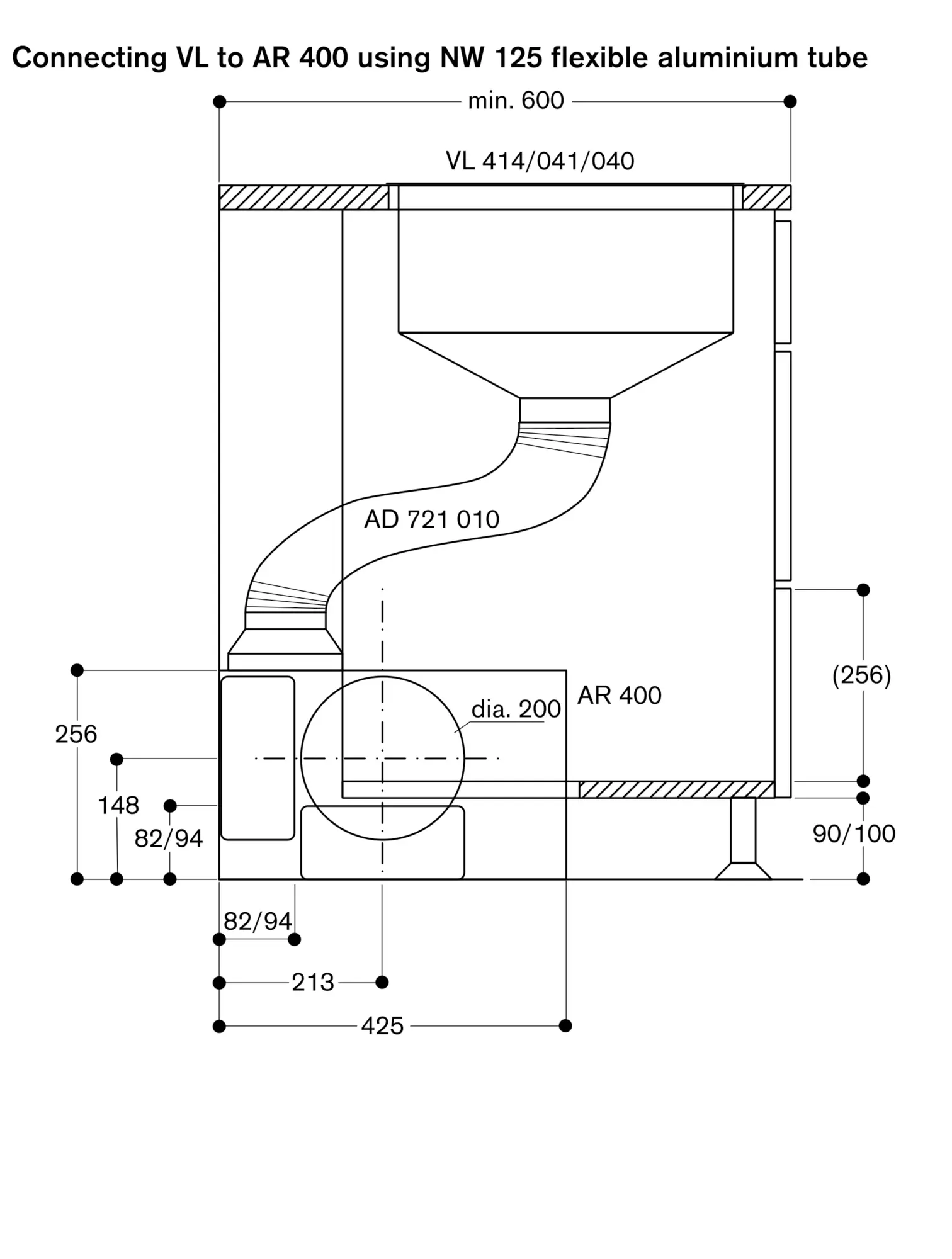
No connecting piece included.
Consumption data is referred to a configuration with the remote fan unit AR 403 122.
Energy efficiency class A.
Energy consumption 47.7 kWh/year.
Ventilation efficiency class A.
Grease filter efficiency class F.
Sound level min. 53 dB / max. 68 dB normal mode.
Matching remote fan units for air recirculation or air extraction mode.
Appliance can be snapped into the worktop from above. Additional fixing by clamps accessible from above, clamping range 30-50 mm.
If installing with the appliance cover VA 440 or filler strip VA 450 take into account the additional space required for the depth.
If combining several appliances with at least one appliance cover, the filler strip VA 450 is required to compensate for the depth of the appliance without the appliance cover.
If combining several Vario appliances of the 400 series, a connection strip VA 420 must be placed between the appliances. Depending on the type of installation, the corresponding connection strip must be provided.
In the cut-out, the installation system requires the side edge to be at least 10 mm for surface mounting and at least 13 mm for flush mounting. Ensure a continuous cut surface of 90°.
The bearing capacity and stability, in the case of thin worktops in particular, must be supported using suitable substructures. Take into account the appliance weight and additional loads.
Additional instructions for flush mounting:
Installation is possible in worktops made of stone, synthetics or solid wood. Heat resistance and watertight sealing of the cut edges must be observed. Concerning other materials please consult the worktop manufacturer.
The groove must be continuous and even, so that uniform placing of the appliance on the gasket is ensured. Do not use discontinuous lining.
The joint width may vary due to size tolerances of the combinations and of the worktop cut-out.
If installing several appliances in individual cut-outs allow for a division bar of minimum 50 mm between the individual cut-outs.
Maximum cooktop width between two VL: 60 cm.
If operated next to gas appliances, the ventilation moulding AA 414 010 is recommended to ensure maximum performance of the cooktop.
If installed next to gas appliances, flat ducts must not be used for the piping up to the fan unit.
If installed next to VP 414, the flat duct must not be positioned underneath the VP 414.
Connection cable 2.0 m between ventilation element VL 414 and control knob AA 490.