1 / 0















Technical Overview
Installation type
Built-in
Width
10 cm
Cooktop to hood control
No
Operation mode
Air extraction, Air recirculation
Specifications
Ventilation element integrated in the worktop
Highly efficient ventilation system at the cooktop
Minimal planning and easy installation for air recirculation
Power levels depend on the remote fan unit.
Ventilation grille, washable.
Metal grease filter with grease drip tray, dishwasher-safe.
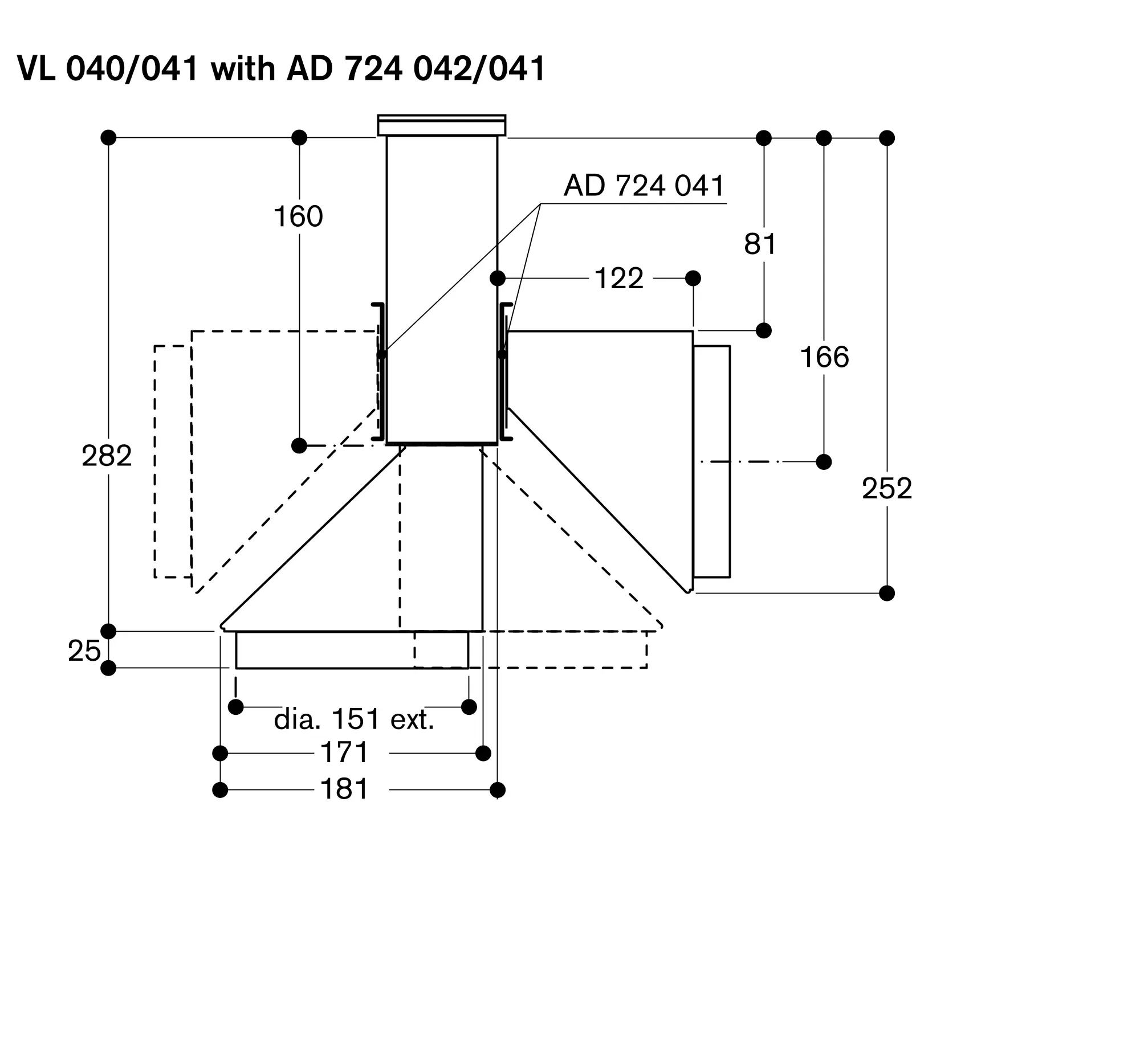
No duct connecting piece included.
Only in combination with VL 041 115.
Air extraction in combination with remote fan unit AR 403 121 or air recirculation mode with AR 413 121.
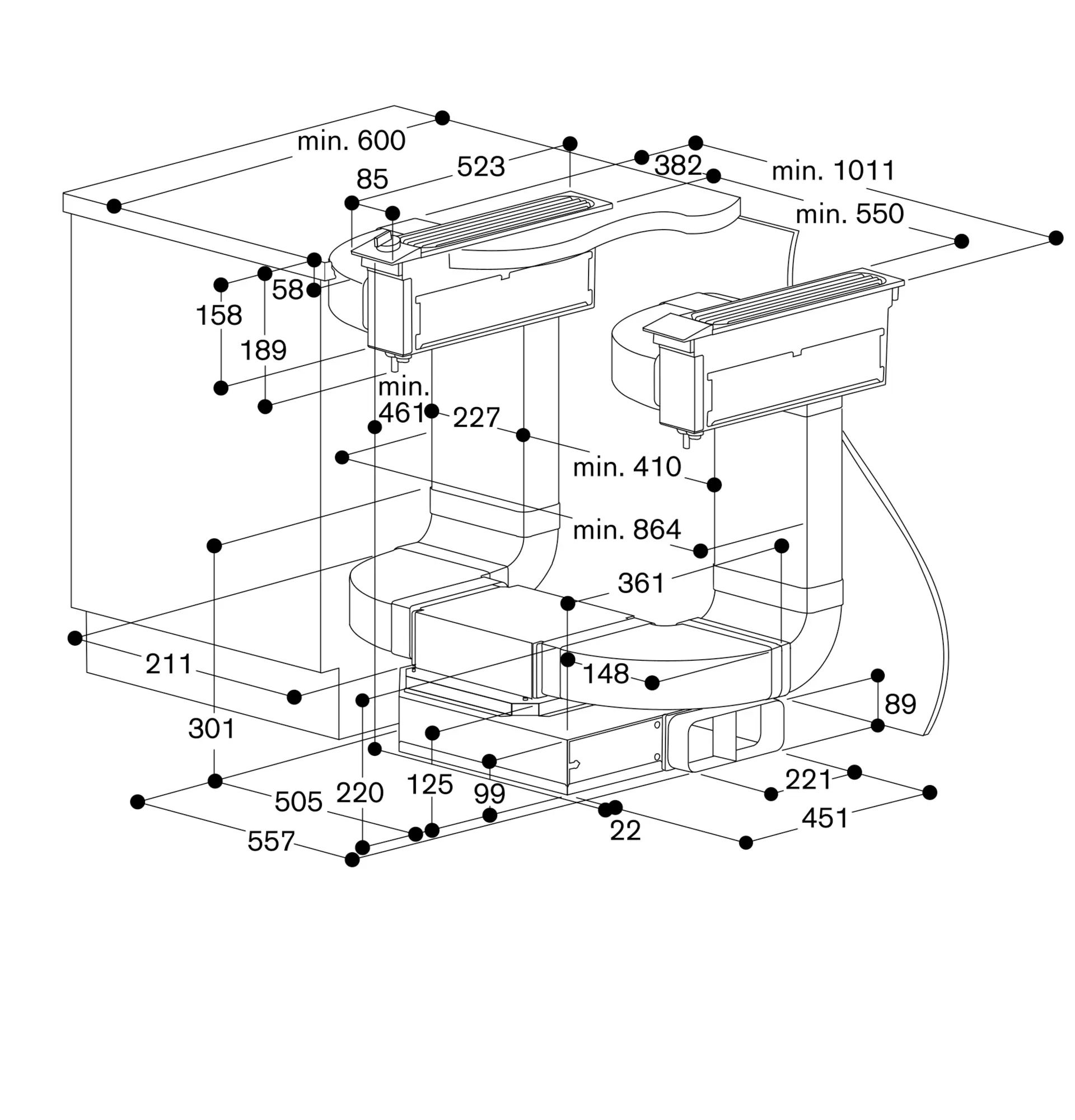
Ensure to have recommended configurations of downdraft ventilations and remote fan units and the needed ducting elements.
Maximum cooktop width between 2 VL: 60 cm (exception: VI/VE 270).
If installed next to gas appliances, the ventilation moulding LS 041 001 is recommended to ensure maximum performance of the cooktop. If installed next to gas appliances, flat ducts must not be used for the piping up to the fan unit.
When having installed the ventilation moulding LS 041 001 the wok pan WP 400 001 can not be used.
When installing a ventilation hood with air extraction mode and a chimney-vented fireplace, the power supply line of the ventilation appliance needs a suitable safety switch.
Connecting cable 2.0 m with plug.